聯系方式
-
聯系人:唐小姐
電 話:18028294447
傳 真:0769-85704468
郵 箱:2355938364@qq.com
網 址:m.pipilianmeng.com
地 址:廣東東莞市大朗鎮松木山利昌路13號
您當前的位置:首頁 > 新聞中心 > 技術支持
電磁制動器離合器組的分類及結構
2016-04-05 16:05:25 新聞來源:天機傳動
上一篇:電磁制動器組成與構造
下一篇:電磁剎車器原理剖析
電磁離合器制動器組合體大致分為外露式、內藏式、雙電磁離合器組、雙/單法蘭電磁離合器剎車組等系列。今天我們來說的是
“套筒式電磁制動器離合器組合體”,是由于干式單片電磁離合器的靜摩擦轉矩與動態摩擦轉都極為相近,因此工作的時候也很平穩。
但是干式單片電磁離合器的電樞吸引、轉矩上升與消失的時間現電磁制動器的稍微有些差異性。
內藏式電磁離合剎車組對軸對構造,無空轉轉矩與寬幅變速皮帶輪組合方便。對軸型電磁離合制動器組工作原理:電磁離合器之轉子被固定于入軸上,離合器之電樞與電磁制動器則在同軸而形成的出力軸,離合器之軛與電磁制動器裝置于機架上。當電磁離合器接通電流時,出力軸即被帶動電磁離合器分離,當電磁制動器接通電流時,出力軸就停止運轉。
外露通軸式離合器制動器組合特點:
1、結構簡單緊湊,操作簡便,能在極短的時間內保證準確結合。而且聯接可靠,制動靈活,能實現對工作機構的自動控制及遠距離操作。
2、由于采用了固定在輸入軸的銜鐵,就可電磁線圈固定在端蓋上,克服了普通電磁離合器需在轉動的線圈外圓周上設置接線滑環的缺點,大大的減小了磨損。保證對線圈供電可靠及時。控制功率小,使用壽命長。
3、耐用,用彈簧座、彈簧以摩擦片組成的,可軸向移動的裝置,并取代目前廣泛使用的電磁離合器中的花鍵套,進行軸向滑動的裝置,使加工比較簡單,安裝維修也簡便。彈簧座采用鋁合金制作,減少了剩磁對離合效果的影響。
雙電磁離合器組合體正反轉專用,結構非常獨特,安裝也極為簡便。緊湊的貫通軸結構,即兩個電磁離
合器都裝置在同軸上,極其的合理配置產著各種部件,是一種極其獨特的組合,適用于正反轉、變速、動力分配、連
接、切離、高速運轉等多用途。


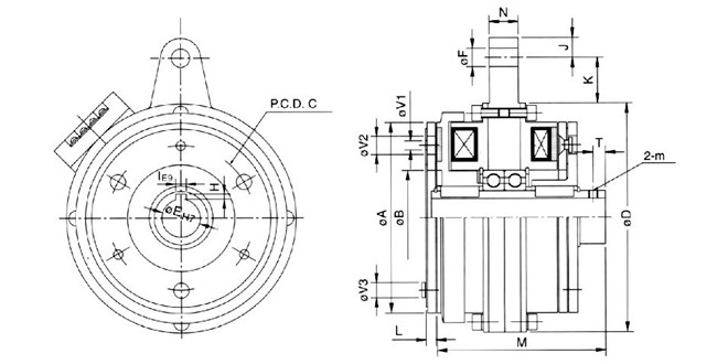
(電磁離合器制動器組合體結構詳細圖)
上一篇:電磁制動器組成與構造
下一篇:電磁剎車器原理剖析




